中涂協(2024)協字第19號
各有關單位:
為貫徹落實國家節能減排方針和國家節水行動方案政策,推進石油和化工行業綠色低碳發展和轉型升級,推動行業節能降耗、提升用水效率,我會根據中國石油和化學工業聯合會中石化聯產發(2024)29號、30號文件精神,決定繼續在鈦白粉、氧化鐵系顏料領域開展2023年度能效“領跑者”和水效“領跑者”企業遴選工作?,F將有關事項通知如下:
一、能效“領跑者”企業遴選工作
?。ㄒ唬╁噙x對象:鈦白粉、氧化鐵系顏料。
?。ǘ╁噙x方式:能耗指標排名前3-5位的企業名稱和能耗指標。反映產品能效水平的綜合指標,即單位產品綜合能耗。
?。ㄈ┗疽?/p>
申請石油和化工行業重點產品能效“領跑者”企業應滿足以下要求:
1.按照《鈦白粉和氧化鐵顏料單位產品能源消耗限額》(報批稿)(GB 32051),上一年度單位產品綜合能耗必須達到標準限值3級指標;
2.未使用國家明令禁止或列入禁止、淘汰目錄的落后用能設備和產品;
3.依法在中國境內登記注冊、連續經營2年以上的獨立法人或集團所屬分公司;
4.近三年內未發生重大安全、環境事故或產品質量違法行為,未被列入經營異常名錄或嚴重失信主體名單(以“信用中國”和“國家企業信用信息公示系統”為準);
5.企業主營業務和發展戰略符合國家產業政策及相關要求,具備健全的能源統計核算和管理制度;
6.企業建立了能源管理體系或具備能源管理體系相關要素(提供認證證書或具備能源管理體系相關要素的證明材料);
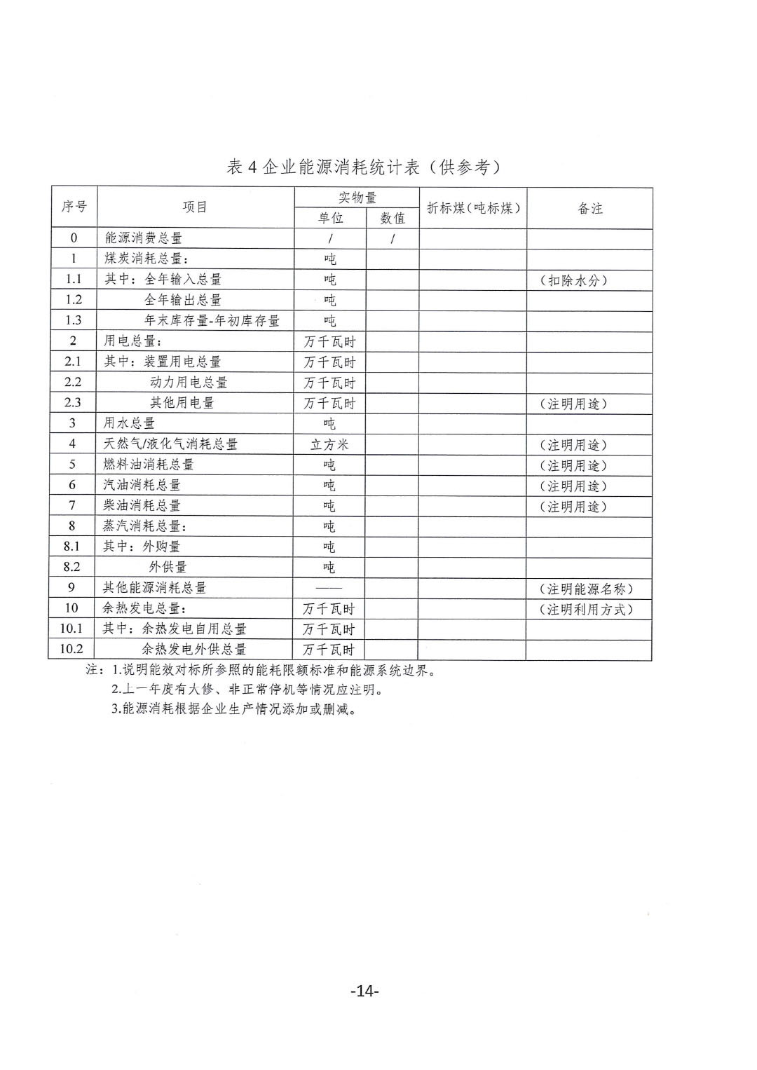
7.能耗統計要按產品能源消耗限額國家標準或能耗計算國家標準執行,確保真實可靠,見附件1-1。
二、水效“領跑者”企業遴選工作
?。ㄒ唬╁噙x對象:鈦白粉。
?。ǘ╁噙x方式:綜合考慮企業取用水規模和效率、技術工藝水平及科研開發投入、節水成效,以及企業用水計量、節水管理等法律法規標準落實情況等多維度,組織專家核實和復審,產生水效“領跑者”企業名單。
?。ㄈ┗疽?/p>
申請石油和化工行業水效“領跑者”的重點用水企業應滿足以下要求:
1.參評年度水效指標達到現行節水型企業國家標準或取水定額國家標準準入值要求,且為行業領先水平,滿足國家標準《節水型企業評價導則》(GB/T 7119)要求;
2.具有取用水資源的合法手續,近三年取水無超計劃;
3.依法在中國境內登記注冊,年工業取水量超過30萬立方米的獨立法人或集團所屬分公司;
4.未使用國家明令禁止或列入禁止、淘汰目錄的用水設備或器具;
5.近三年內未發生重大安全、環境事故或產品質量違法行為,未被列入經營異常名錄或嚴重失信主體名單。
6.建立節水管理制度,各生產環節有配套的節水措施,建立完備的用水計量和統計管理體系,水計量器具配備滿足國家標準《用水單位水計量器具配備和管理通則》(GB/T 24789)要求,并依法檢定或校準;
7.水耗統計要按產品取水定額或節水型企業國家標準執行,確保真實可靠,見附件1-2。
三、工作安排
請申報企業填寫《能效“領跑者”申請報告》(見附件2)和/或《水效“領跑者”申請報告》(見附件3),于2024年4月20日前報送我會聯系人處。我會將組織行業專家對上報企業的能耗指標或水耗指標進行分析對比、核實,最后按產品分別確定排名前3-5位的企業名單,報送中國石油和化學工業聯合會審議,并最終于2024年3季度發布2023年度各重點產品能效“領跑者”名單和2023年度各重點用水企業水效“領跑者”名單。同時,根據工信部、國家發改委、國家能源局的要求,也將向其報送重點產品能效“領跑者”企業名單和能耗指標、重點用水企業水效“領跑者”企業名單和水耗指標。
請各單位組織好本企業的能效或節水最佳實踐案例和節能或節水先進管理者事跡的編寫工作,并于2024年5月20日前將每個產品至少一個案例、每個能效或水效領跑者標桿企業一個節能或節水先進管理者的事跡報送我會聯系人處(電子版)。同時,將對遴選上的能效、水效“領跑者”以及最佳案例和先進事跡在我會官媒進行宣傳。
四、聯系方式
聯 系 人:王臻 010-62253382 18548905456 陳鋼 010-62253382 19910232882
電子郵箱:tlylb@163.com
附件1:1.能效“領跑者”申報產品統計要求
2.水效“領跑者”申報產品統計要求
附件2:能效“領跑者”申請報告
附件3:水效“領跑者”申請報告
附件:2023年度石油和化工行業能效和水效“領跑者”企業遴選工作.docx
通知:關于開展2023年度石油和化工行業能效和水效“領跑者”企業遴選工作的通知.pdf
中國涂料工業協會
2024年4月8日





















分享好友
